RCA Telegram News California - Des neurones doués de sensations ont appris à jouer à un jeu vidéo (étude)

Des neurones doués de sensations ont appris à jouer à un jeu vidéo (étude)
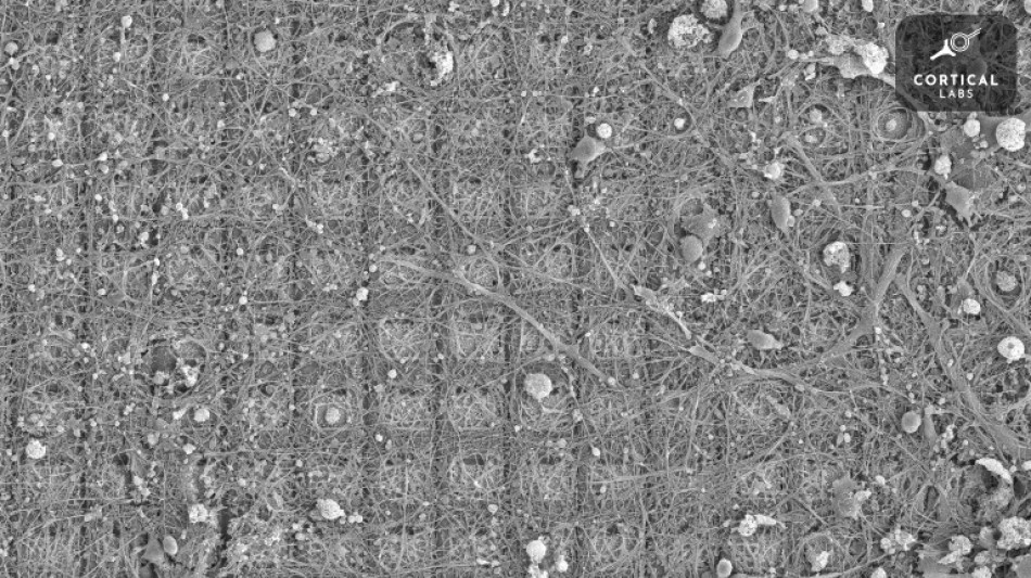
Des neurones doués de sensations ont appris à jouer à un jeu vidéo (étude) / Photo: Handout - AFP

Des neurones doués de sensations ont appris à jouer à un jeu vidéo (étude)

Des neurones cultivés dans une boîte de Petri sont capables d'apprendre à jouer à Pong, le grand classique des jeux vidéo, faisant ainsi preuve d'un "comportement intelligent et doué de sensations", selon des chercheurs en neurosciences australiens.

Taille du texte:

Cette étude, publiée mercredi dans la revue scientifique Neuron, ouvre la voie à un nouveau type de recherches qui pourraient un jour se servir de neurones pour traiter des informations, sorte de machines biologiques qui épauleraient les ordinateurs numériques, selon le chercheur ayant mené les recherches, Brett Kagan.

"Les machines sont incapables d'apprendre très rapidement des choses. Pour qu'un algorithme de +machine learning+ (l'apprentissage automatique, une technique d'intelligence artificielle, NDLR) apprenne quelque chose, il a besoin de milliers d'échantillons de données", a-t-il expliqué.

Tandis qu'"un chien peut apprendre un tour en deux ou trois essais", note-t-il.

Les neurones sont au fondement de l'intelligence chez tous les animaux, des insectes aux humains.

Pour leur expérience, visant à découvrir s'il était possible d'exploiter l'intelligence inhérente des neurones, Brett Kagan et ses collègues ont prélevé des neurones de cerveaux embryonnaires de souris ainsi que des neurones issus de cellules souches d'humains adultes.

Ils ont ensuite cultivé ces neurones autour de matrices de microélectrodes capables de détecter leur activité et de les stimuler. Les expériences ont concerné des amas d'environ 800.000 neurones, la taille du cerveau d'un bourdon.

Dans une sorte de version simplifiée du jeu de tennis Pong, un signal était ensuite envoyé depuis la droite ou la gauche pour indiquer l'emplacement d'une balle et l'amas de neurones, baptisé par les chercheurs "DishBrain" (ou cerveau en boîte en français), répondait par un autre signal pour déplacer la raquette.

- "Principe de l'énergie libre" -

Un des principaux obstacles était de trouver comment amener les neurones à apprendre une tâche.

De précédents travaux avaient suggéré de les gratifier d'une dose d'"hormone du bonheur", la dopamine, à chaque action correcte -- mais cela s'est révélé difficile à accomplir avec la vitesse nécessaire.

A la place, l'équipe du Dr Kagan s'est appuyée sur la théorie dite du "principe de l'énergie libre" introduite il y a plus de dix ans par Karl Friston, l'auteur principal de l'étude publiée mercredi, et selon laquelle les cellules cherchent instinctivement à minimiser l'imprévisibilité de leur environnement.

Quand les neurones parvenaient à frapper la balle à l'aide de la raquette, ils recevaient donc une information prévisible indiquant leur réussite. Mais quand ils rataient leur coup, le signal reçu était aléatoire, imprévisible.

"La seule façon pour les neurones de faire en sorte que leur monde reste contrôlable et prévisible était de mieux réussir à toucher la balle", a détaillé Brett Kagan.

Son équipe considère que DishBrain est "sensible" -- ce qu'ils définissent comme étant capable de percevoir des informations sensorielles et d'y répondre de façon dynamique --, mais ne vont pas jusqu'à parler de "conscience", ce qui implique d'avoir conscience de sa propre existence.

Ce "cerveau en boîte" s'est même essayé au jeu qui remplace le moteur de recherche de Google en cas d'absence de connexion internet, qui consiste à faire courir un dinosaure parmi des obstacles, et les premiers résultats ont été encourageants, a indiqué Brett Kagan.

Les scientifiques veulent ensuite tester la manière dont des médicaments et l'alcool affectent l'intelligence de ces neurones, mais le Dr Kagan est surtout enthousiaste à l'idée de la possibilité de développer des ordinateurs biologiques.

"C'est (une expérience de) neurosciences rigoureuse et intéressante", estime Tara Spires-Jones, de l'université d'Edimbourg, qui n'a pas participé à l'étude.

"Pas d'inquiétude, même si ces boîtes de neurones peuvent modifier leurs réponses lorsqu'elles sont stimulées, ce ne sont pas des boîtes douées d'intelligence de type science fiction, ce sont de simples (bien qu'intéressants et importants d'un point de vue scientifique) réponses de circuit", rassure-t-elle.

F.Maes--RTC